Flir Systems
Description
A solution for every building problem
World renowned as a pioneer in thermal imaging, FLIR Systems was founded in 1978. Today, its advanced systems and components are used for a wide variety of thermal imaging tasks, situational awareness and security applications, electro-mechanical inspection and condition monitoring, research and development, manufacturing process control, fire detection and environmental monitoring. To this day, building science to minimise energy loss, remains a key market for FLIR.
FLIR Systems has six operating segments – surveillance, instruments, OEM and emerging markets, maritime, security and finally, detection. Of these six, ‘instruments’ is of greatest interest to the building and environmental engineering sectors and the second largest segment in the company’s portfolio. This division provides devices that image, measure and assess thermal energy, gases and environmental elements for industrial, commercial and scientific applications. These products are manufactured across five production sites, three in the USA and two in Europe; Sweden and Estonia.
A model to suit every application
The options that FLIR Systems provides for measuring temperature and studying thermal performance have never been greater. Not only does the company offer a huge range of models to suit all thermal application needs but the technology is also affordable and very easy to use. Thermal cameras now come in various sizes and degrees of sophistication and FLIR continues to invest heavily in the development of new and complementary technologies to differentiate itself from competitors.
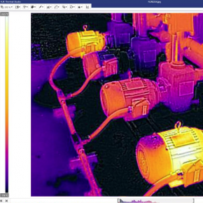
One of the most significant innovations, that is standard on all building science cameras from FLIR, is MSX® or multi-spectral imaging. Developed to make it easier for engineers to interpret thermal images and diagnose problems, MSX instantly generates a definitive, all-in-one thermal picture that shows unprecedented detail. It captures visual data from the built-in digital camera and radiometric data from the thermal camera. Internal software then analyses the image and superimposes key elements from the visual image as a high-contrast ‘skeleton’ on the thermal output.
Another complementary differentiator for FLIR is its industry leading 2-10 warranty on so many of its models. This is made possible by the company’s high degree of vertical integration. When registered within 60 days of purchase, FLIR provides 2 years cover on parts and labour and 10 years on the detector, the most vital part of the whole camera.
Increasing value-for-money applies across the FLIR range from the models designed for professional building inspection to those at the troubleshooting end of the product line. These point-and-shoot cameras now have a variety of sophisticated features – once only available in higher end models – and come in a choice of styles that now also includes pocket sized.
A relatively new area of development for thermal imaging is building inspection using drones. FLIR has many options available to suit the application including a range of aerial thermal imaging kits which contain all you need to get your thermal imaging programme off the ground immediately. Click here for more information.
Find out more about the entire range of FLIR building science thermal imaging cameras here. You can also download the FLIR guidebook for building and renewable energy applications.
Smart additions
Lightweight devices that plug into smart phones to convert them into thermal imaging cameras were introduced a few years ago but recently the technology has moved on again. The world’s first smartphone with fully integrated FLIR thermal imaging camera is now on the market, innovation made possible by FLIR Systems’ development of its Lepton® micro longwave detector, the size of a mobile SIM card.
Indeed this breakthrough has also allowed thermal imaging technology to be re-packaged to meet the needs of an even wider audience. The design freedom provided by the Lepton core, combined with another new technology called Infrared Guided Measurement – IGM™ - has led to the introduction of the FLIR Test and Measurement range with imaging capability - typical examples are the FLIR imaging thermometers, moisture meters, clamp meters and multi-meters.
IGM allows engineers, electricians and building inspectors to work smarter and more efficiently by visually guiding them to temperature problems that are invisible to the naked eye. This FLIR technology elevates test tools to a whole new level of functionality, saving valuable inspection time.
Given the huge choice of camera types available now, selecting the best thermal imaging camera for your needs can seem a daunting task. To help you navigate your way through the process, FLIR has published a concise guide called “12 Things to Consider Before Buying an Infrared Camera”.

